Città elettronica

Motore con mozzo posteriore tipo C R350

Il motore con mozzo posteriore C-Type R350, progettato per e-bike da città, offre una gamma di potenza nominale di 250-400 W e supporta filettatura singola o 7 velocità sulla ruota libera. Compatibile con sistemi da 36 V o 48 V, fornisce prestazioni stabili con grado di impermeabilità fino a IP65. Il motore presenta una coppia di 45 Nm ed è dotato di durevoli ingranaggi in plastica-acciaio brevettati HT, ideali per arresti e avviamenti frequenti in ambienti urbani e applicazioni con freni elettrici.

Parametro chiave
Struttura del motore: Tensione nominale (V): Potenza nominale (W):
Motore con mozzo a trazione posteriore 36-48 250-400
Coppia di picco (N.m.): Peso (chilogrammo): VECCHIO (mm):
45 3 137
informazioni dettagliate
  • Motore con mozzo posteriore tipo C R350
  • Motore con mozzo posteriore tipo C R350
Ningbo Yinzhou HENTACH Electromechanical Co., Ltd. Product Parameters Ningbo Yinzhou HENTACH Electromechanical Co., Ltd. Drawing Ningbo Yinzhou HENTACH Electromechanical Co., Ltd. Contact Us

Dati fondamentali

Potenza nominale 250-400
Tensione nominale 36-48
Diametro della ruota 20-28
Gamma di velocità 25-38
Coppia massima 45
Rapporto di trasmissione 4.43
Peso (KG) 3

Parametri di installazione

Freno Freno a disco
Cassetta sensore di coppia No
Percorso di cablaggio Asse Centrale Destro
Foro per il raggio 2-18-Ф3.2
Grado di impermeabilità IP54(Fino a IP65)
Volano/ruota dentata Rotativo a 7 velocità
Certificati TUV/EN15194/RoHS/UL1004-1

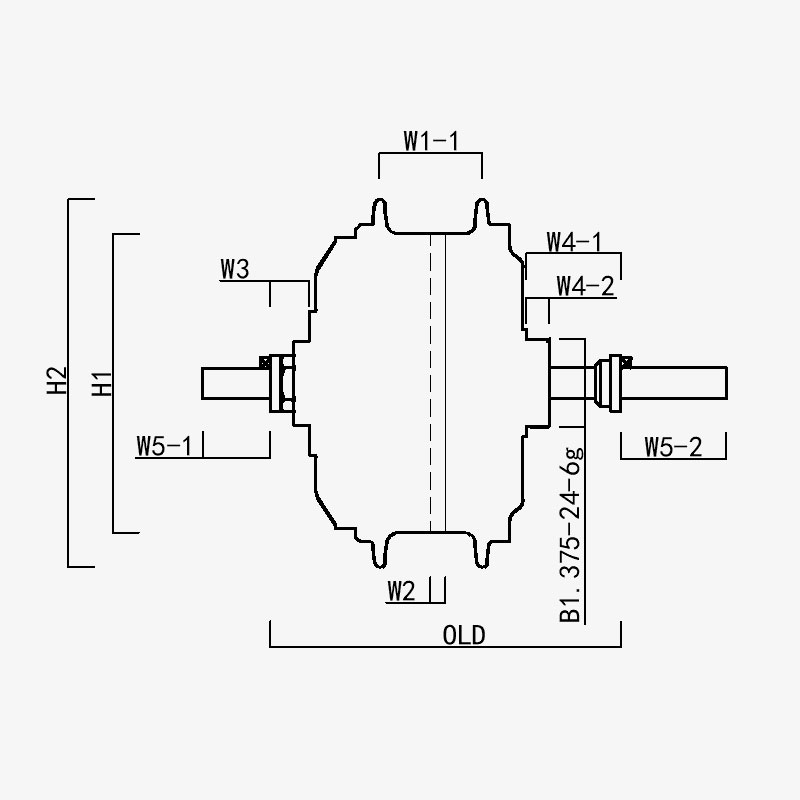
H1/OD: 117
H2/D.E. motore: 144
W1(-1/-2): 40
W2: 5.9
W3: 15.2
W4(-1/-2): 37/9
W5(-1/-2): 26,5/41,5
VECCHIO: 137
Lunghezza dell'asse: 205
Ningbo Yinzhou HENTACH Electromechanical Co., Ltd.
contattaci
  • Invia e invia
Ningbo Yinzhou HENTACH Electromechanical Co., Ltd.
COSA CI DISTINGUE
  • Il peso è di soli 3 kg e la coppia di stallo può raggiungere i 45 Nm.

  • Ingranaggio in plastica brevettato: 5 volte la coppia dell'ingranaggio in nylon; la durata della vita è superiore a 40.000 chilometri; post-vendita inferiore

  • Dotato di volano rotativo a 7 velocità, con apertura degli ingranaggi di 137 mm, progettato per c-city

CHI SIAMO NOI Più di 20 anni di esperienza produttiva.

Ningbo Yinzhou HENTACH Electromechanical Co., Ltd. (Precedentemente Hengtai Motor) Fondata nel 1995 e precedentemente nota come "Hengtai Motor" (il nome cinese della nostra azienda), abbiamo adottato ufficialmente il nome inglese "HENTACH Motor" nel 2020. Entrambi i nomi rappresentano lo stesso produttore di fiducia dedicato all'innovazione elettromeccanica da oltre 30 anni. Specializzati nella fusione e nella lavorazione di precisione di motori CC miniaturizzati, motori con mozzo per motociclette elettriche e leghe di alluminio-magnesio per veicoli elettrici, combiniamo un rigoroso sistema di controllo qualità ISO 9001, pratiche di gestione mature e apparecchiature di produzione/test all'avanguardia per fornire soluzioni affidabili.

Grazie alle nostre capacità complete che coprono l'intero processo, dalla fusione delle materie prime alla consegna del prodotto finito, serviamo diversi mercati, tra cui e-bike, veicoli commerciali, veicoli a guida automatica (AGV), golf cart, macchine agricole e kart elettrici. Il nostro stabilimento di oltre 9.000 m² (di cui 5.000 m² di area edificata) ospita oltre 60 unità di attrezzature di produzione all'avanguardia, tra cui presse per pressofusione da 500 tonnellate, macchine utensili CNC di precisione, sistemi di marcatura laser, linee di ossidazione a microarco e due banchi prova dedicati per motori di veicoli elettrici. Questa infrastruttura garantisce una produzione efficiente e il rigoroso rispetto degli standard qualitativi internazionali.

In HENTACH (Hengtai), diamo priorità ai materiali di alta qualità e alla tecnologia proprietaria: i nostri ingranaggi brevettati in nylon-acciaio testimoniano la nostra eccellenza ingegneristica. Per convalidare la durata, una volta abbiamo lanciato un programma di garanzia del chilometraggio per i motori che superano le 30.000 miglia. Il risultato? Oltre 50 motori non solo hanno raggiunto questo punto di riferimento, ma lo hanno superato, alcuni dei quali hanno raggiunto l'impressionante distanza di 50.000 miglia. Queste prestazioni nel mondo reale riflettono la nostra costante attenzione all'affidabilità e ci motivano a innovare continuamente per soluzioni motoristiche più intelligenti e resistenti.​
Affidati al marchio conosciuto in tutto il mondo sia come Hengtai Motor che HENTACH Motor, dove l'innovazione brevettata degli ingranaggi in acciaio incontra una durata comprovata.

Certificato da Certificazioni