eMTB / E-cargo

Motore con mozzo posteriore E-Type RF500

Il motore con mozzo posteriore E-Type RF500 è progettato per bici E-Cargo ed E-MTB, compatibile con sistemi 36V/48V. Offre una potenza nominale di 500-750 W e oltre 75 Nm di coppia, gestendo con facilità terreni complessi e carichi pesanti. Il motore supporta ruote da 20-28 pollici, pesa solo 4,2 kg e presenta un forcellino da 100 mm con un rapporto di trasmissione di 5,4. Questo design ottimizza la coppia erogata, garantendo un'accelerazione fluida a basse velocità e una migliore efficienza.

Parametro chiave
Struttura del motore: Tensione nominale (V): Potenza nominale (W):
Motore con mozzo a trazione posteriore 36-48 250-500
Coppia di picco (N.m.): Peso (chilogrammo): VECCHIO (mm):
75 4.2 135
informazioni dettagliate
  • Motore con mozzo posteriore E-Type RF500
  • Motore con mozzo posteriore E-Type RF500
Ningbo Yinzhou HENTACH Electromechanical Co., Ltd. Product Parameters Ningbo Yinzhou HENTACH Electromechanical Co., Ltd. Drawing Ningbo Yinzhou HENTACH Electromechanical Co., Ltd. Contact Us

Dati fondamentali

Potenza nominale 250-500
Tensione nominale 36-48
Diametro della ruota 20-28
Gamma di velocità 25-38
Coppia massima 75
Rapporto di trasmissione 5.4
Peso (KG) 4.2

Parametri di installazione

Freno Freno a disco
Cassetta sensore di coppia No
Percorso di cablaggio Asse Centrale Destro
Foro per il raggio 2-18-Ф3.2
Grado di impermeabilità IP54(Fino a IP65)
Volano/ruota dentata Rotary Fly 7 velocità/Kafei(OLD142)
Certificati TUV/EN15194/RoHS

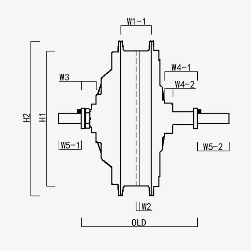
H1/OD: 157
H2/D.E. motore: 180
W1(-1/-2): 36
W2: 3.75
W3: 15.2
W4(-1/-2): 38/9.5
W5(-1/-2): 26/37
VECCHIO: 135
Lunghezza dell'asse: 198
Ningbo Yinzhou HENTACH Electromechanical Co., Ltd.
contattaci
  • Invia e invia
Ningbo Yinzhou HENTACH Electromechanical Co., Ltd.
COSA CI DISTINGUE
  • Potente motore con mozzo a trazione posteriore, apertura degli ingranaggi da 135 mm, potenza nominale fino a 500 W

  • Ingranaggio in plastica brevettato: 5 volte la coppia dell'ingranaggio in nylon; durata di vita superiore a 40.000 km; post-vendita inferiore

  • Coppia di stallo fino a 75 Nm, appositamente progettata per eMTB/Cargo.

CHI SIAMO NOI Più di 20 anni di esperienza produttiva.

Ningbo Yinzhou HENTACH Electromechanical Co., Ltd. (Precedentemente Hengtai Motor) Fondata nel 1995 e precedentemente nota come "Hengtai Motor" (il nome cinese della nostra azienda), abbiamo adottato ufficialmente il nome inglese "HENTACH Motor" nel 2020. Entrambi i nomi rappresentano lo stesso produttore di fiducia dedicato all'innovazione elettromeccanica da oltre 30 anni. Specializzati nella fusione e nella lavorazione di precisione di motori CC miniaturizzati, motori con mozzo per motociclette elettriche e leghe di alluminio-magnesio per veicoli elettrici, combiniamo un rigoroso sistema di controllo qualità ISO 9001, pratiche di gestione mature e apparecchiature di produzione/test all'avanguardia per fornire soluzioni affidabili.

Grazie alle nostre capacità complete che coprono l'intero processo, dalla fusione delle materie prime alla consegna del prodotto finito, serviamo diversi mercati, tra cui e-bike, veicoli commerciali, veicoli a guida automatica (AGV), golf cart, macchine agricole e kart elettrici. Il nostro stabilimento di oltre 9.000 m² (di cui 5.000 m² di area edificata) ospita oltre 60 unità di attrezzature di produzione all'avanguardia, tra cui presse per pressofusione da 500 tonnellate, macchine utensili CNC di precisione, sistemi di marcatura laser, linee di ossidazione a microarco e due banchi prova dedicati per motori di veicoli elettrici. Questa infrastruttura garantisce una produzione efficiente e il rigoroso rispetto degli standard qualitativi internazionali.

In HENTACH (Hengtai), diamo priorità ai materiali di alta qualità e alla tecnologia proprietaria: i nostri ingranaggi brevettati in nylon-acciaio testimoniano la nostra eccellenza ingegneristica. Per convalidare la durata, una volta abbiamo lanciato un programma di garanzia del chilometraggio per i motori che superano le 30.000 miglia. Il risultato? Oltre 50 motori non solo hanno raggiunto questo punto di riferimento, ma lo hanno superato, alcuni dei quali hanno raggiunto l'impressionante distanza di 50.000 miglia. Queste prestazioni nel mondo reale riflettono la nostra costante attenzione all'affidabilità e ci motivano a innovare continuamente per soluzioni motoristiche più intelligenti e resistenti.​
Affidati al marchio conosciuto in tutto il mondo sia come Hengtai Motor che HENTACH Motor, dove l'innovazione brevettata degli ingranaggi in acciaio incontra una durata comprovata.

Certificato da Certificazioni